东芝TC78H651FNG电机应用之王:小功率大能量,引领驱动IC新潮流
admin2023-11-11【电脑应用】浏览:200
小功率大应用强性能,东芝TC78H651FNG电机驱动IC来袭

电机驱动领域讲究一个“对症下药”,即针对不同应用场合的电机,选择与之对应的驱动方案。例如功率大的电机应当选取内阻小、电流容许大的驱动,而低电压、功率小的电机就可以选用较低功率的驱动。近年来,随着物联网技术与无线网络技术的日益成熟,人们对于通过智能手机或其他小型设备进行远程操作的应用需求如“雨后春笋”般冒出,这也推动了电机驱动领域对于支持1.8V低电压的小功率电机驱动IC的渴求。作为始终走在技术创新前沿的IC设计公司,东芝在低电压小功率电机驱动IC领域为我们交上了一份满意的答卷,它就是——TC78H651FNG。

TC78H651FNG实物图
TC78H651FNG是东芝面向小功率直流电机/步进电机驱动领域设计的双H桥驱动IC,适用于超低压电机驱动领域。该产品具有1.8V-6.0V的低电压驱动能力,最大额定规格为7V/1.6A。TC78H651FNG支持正转/反转/停止三种运行模式,在待机状态下,TC78H651FNG消耗的电流为0μA(典型值)。
目前主流设备采用的是双极型晶体管构建的可在低电压下稳定运行的H桥驱动IC,输入电压不足会导致的电池寿命、大电流损耗以及电机转矩等问题,TC78H651FNG对此进行了针对性增强。TC78H651FNG采用低导通电阻的DMOS工艺,不仅保证了其在低电压运行状态下的稳定性,而且延长了电池寿命。此外,TC78H651FNG采用的低导通电阻不但减少了IC驱动电流的损失,还直接提升了电机的转矩。
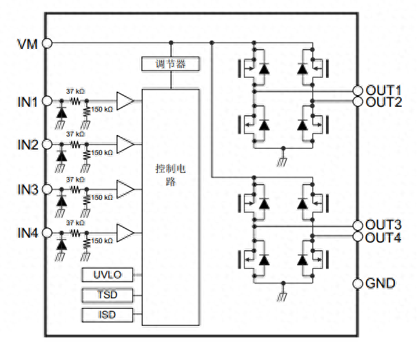
TC78H651FNG内部结构框图
从芯片的内部结构框图可以看出,TC78H651FNG具有两组完整的H桥驱动结构,有4路控制输入和4路驱动输出。一片TC78H651FNG可以同时驱动两个直流有刷电机,或者单独驱动一个2相步进电机。不论是直流有刷电机亦或是步进电机的小功率应用场景下,TC78H651FNG都能够很好地完成驱动工作。
基本功——驱动直流有刷电机

TC78H651FNG驱动双路直流有刷电机
TC78H651FNG在驱动直流有刷电机时,应用电路很简单,只需要分别在OUT1与OU2、OUT3与OUT4之间接入直流电机即可,IN1和IN2为驱动Motor1的控制信号,IN3和IN4为驱动Motor2的控制信号,可以控制电机正转、反转或停止,两个电机的控制和运行完全独立。同时TC78H651FNG输入信号电平支持2.0V-5.5V,兼容大多数单片机3.3V或5V的TTL逻辑电平。这对大部分电子工程师来说简直是福音,单片机和驱动IC电平不兼容的难题在TC78H651FNG上得到了很好的解决。
加分项——驱动步进电机
TC78H651FNG除了可以驱动直流电机,还可以驱动步进电机。具体应用电路如下:

TC78H651FNG驱动单路步进电机
TC78H651FNG用于驱动步进电机时,只能驱动一个2相4线步进电机,外围电路和驱动直流电机时一样简单,但是驱动步进电机时的控制信号会比驱动直流电机时复杂一些。
万无一失的安全性——IC保护功能
TC78H651FNG虽然应用于低电压驱动,该有的防护功能一个都不少。
- TSD(热关断)
当IC结温超过170℃(典型值)时,所有输出都关闭。当结温下降到40℃(典型值)或者以下时,其返回正常模式。
- ISD(过电流检测)
当IC检测到输出晶体管过电流(超过ISD动作阈值)时,所有输出均关闭。具有1.5μs(典型值)的死区时间,以避免由于开关噪声等原因可能导致的ISD误检测。当满足以下任一项时,ISD将释放。
电源再次接通;
设置为待机模式(IN1,IN2,IN3和IN4为低电平)后,动作模式即被重新配置。
- 欠压锁定(UVLO)
当VM引脚电压降至1.7V(典型值)或更小时,所有输出均关闭。当VM引脚电压高于1.7V(典型值)时,UVLO释放。
实战演练——应用领域
TC78H651FNG作为一款低电压电机驱动IC,应用在低电压供电(比如锂电池的应用)场合是非常合适的。其主要应用于家用(燃气)炉灶、智能电表和电子锁,或者使用两个1.5V干电池的玩具和使用5V USB供电的设备中,得力于极低的待机电流(0μA典型值),以及较低的输出导通内阻,可以极大地延长电池供电设备的工作时间和使用寿命。
作为小功率电机驱动的不二之选,TC78H651FNG凝聚了东芝半导体在电机驱动IC领域一直以来奉行的创新精神与多年积累的技术沉淀。希望这款产品能够帮助您在小功率的应用场景之下进行得心应手的开发工作。
相关文章
- 如何通过修改注册表更改IE浏览器收藏夹的位置(路径) ie收藏夹默认路径
- Win7系统添加局域网共享打印机指南
- 轻松掌握:Windows电脑护眼色设置方法
- excel怎么选取特定数字求和 excel选中特定数字求和的方法 excel选取特定数据求和
- 电脑每次打开PS软件总会跳出一个碍眼的对话框怎么办?
- 华为打印机pixlab x1和b5的区别 华为pixlab x1打印机参数
- 系统坏了c盘东西能找回来吗详细 系统坏了可以恢复c盘的东西吗
- 腾讯会议开会过程中延长会议时间教程 腾讯会议如何加长会议时间
- 哔哩哔哩大会员多少钱
- Win10自带的截图快捷键:一键享受的香甜截图体验
- 深入解析Photoshop软件:功能、应用与优势

热评文章
企业微信分屏老师能看到吗 企业微信切屏老师能看见吗
excel如何批量输入求和公式 excel批量输入求
罗技驱动win7能用吗 罗技鼠标支持win7系统吗
打印机驱动卸载干净教程 打印机驱动怎样卸载干净
显卡驱动更新小技巧,让你的电脑运行更稳定
手机系统声音不起眼,但很重要 手机系统声音有的,但